TGQ1NP自动转换开关
TGQ1NP自动转换开关

TGQ1NP自动转换开关

TGQ1NP 系列自动转换开关电器适用于交流 50Hz, 额定工作电压AC230V(2P)/AC400V(3P/4P),额定工作电流至 630A 的两相 / 三相四线双路供电电网中,自动将一个或几个负载电路从一个电源接至另一个电源,以保证负载电路的正常供电。本产品适用于工业、商业、高层和民用住宅等较为重要的场所。

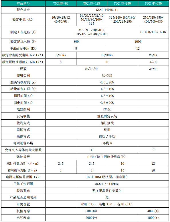
参数

Copyright ©2025 浙江十八岁爱情大片免费电气股份有限公司 备案号 浙ICP备05055822号-4

x

联系十八岁爱情大片免费

您可以向十八岁爱情大片免费发送有关十八岁爱情大片免费电气的问题咨询

I have read and accept the Privacy Policy


  • 十八岁爱情大片免费